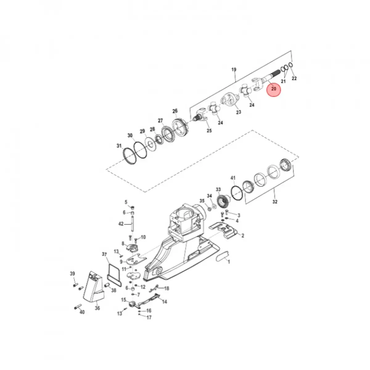
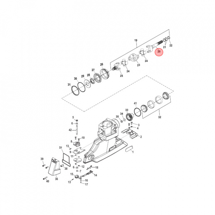
Axel För Knutkors Mercruiser (864244A01)
Artnr:
864244A01
4345 kr
- Produktbeskrivning
-
Axel för knutkors (864244A01) med utvändig låsning. Till Mercruiser Bravo I-III (2A792421 och upp). Titta i din epc för att säkerställa att delen passar just din motor. - Egenskaper
-
- Leveransinformation
-
Lagersaldo: 0Frakt: Frakt 0-3kg


