Bälgsats Alpha One Gen 1 (803097T1)
Artnr:
803097T1
4499 kr
- Produktbeskrivning
-
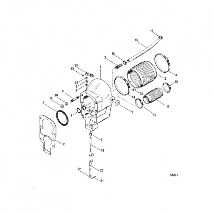
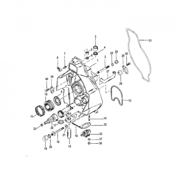
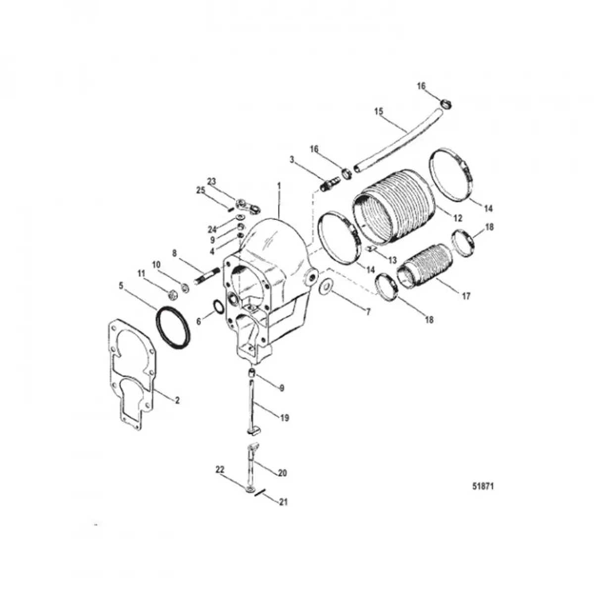
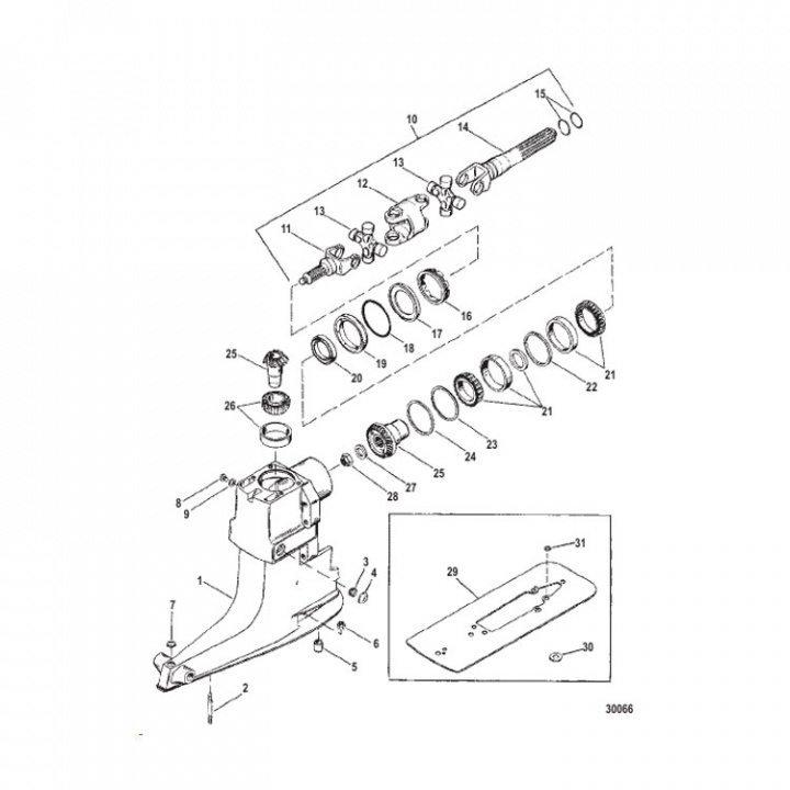
Bälgsats (803097T1) till Mercruiser Alpha One Gen 1 83-90. Titta i din epc för att säkerställa att delen passar just din motor. - Egenskaper
-
- Leveransinformation
-
Lagersaldo: 0Frakt: Frakt 0-3kg




