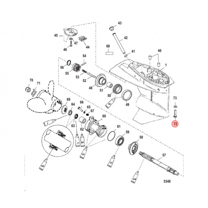
Bult M10 (4000380)
Artnr:
4000380
49 kr
- Produktbeskrivning
-
Bult M10-34 (4000380) till Mercury/Mariner motorer, titta i din epc för att säkerställa att delen passar just din motor. - Egenskaper
-
- Leveransinformation
-
Lagersaldo: 0Frakt: Frakt 0-3kg


