Distans Till Propellerbricka (90389-25M00-00)
Artnr:
9038925M0000
295 kr
- Produktbeskrivning
-
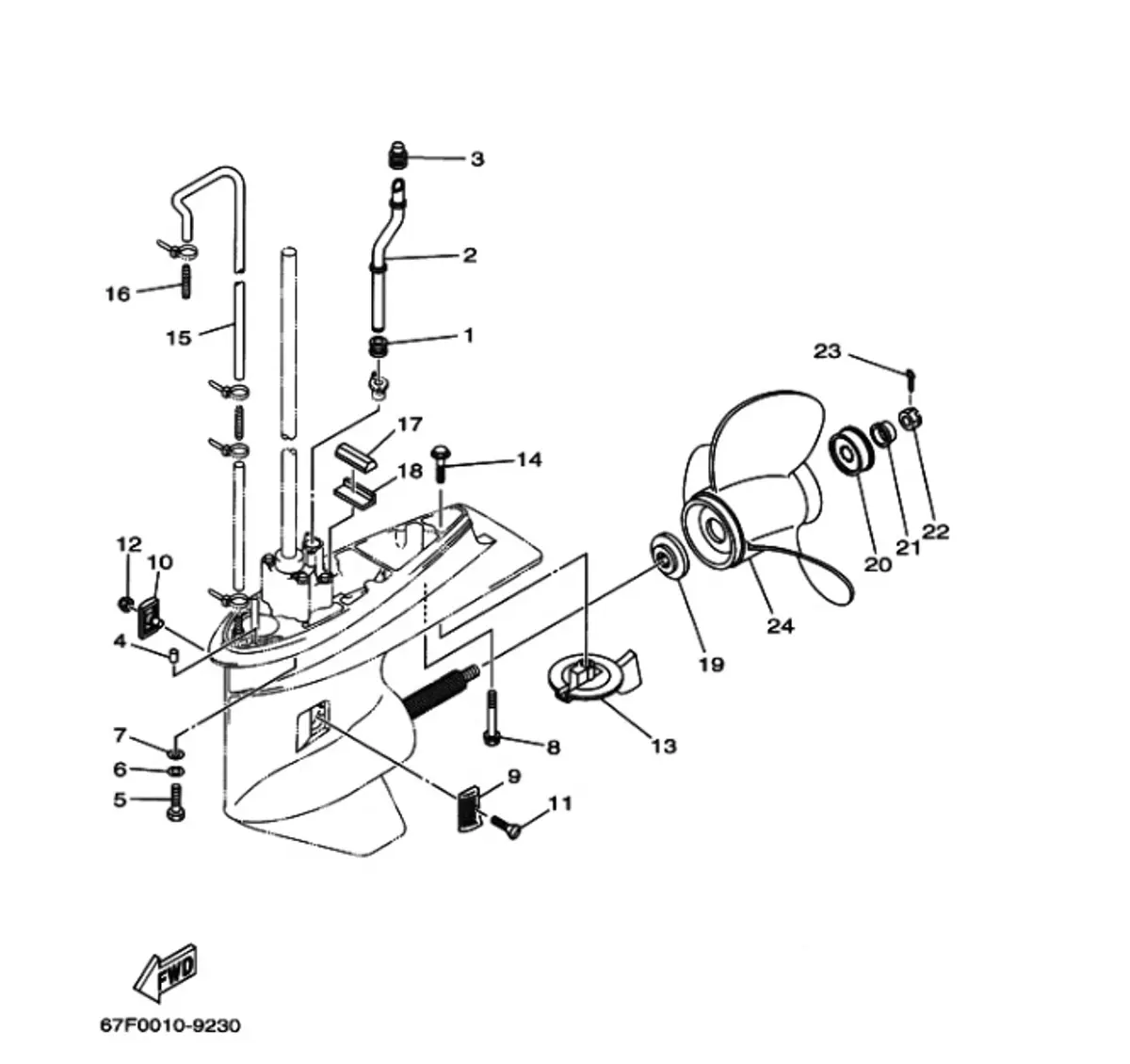
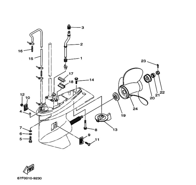
Distans propellerbricka Yamaha, passar bland annat F80A,F100A & B se EPC för mer info. Nummer 21 i illustrationsbilden. - Egenskaper
-
- Leveransinformation
-
Lagersaldo: 1Frakt: Frakt 0-3kg


