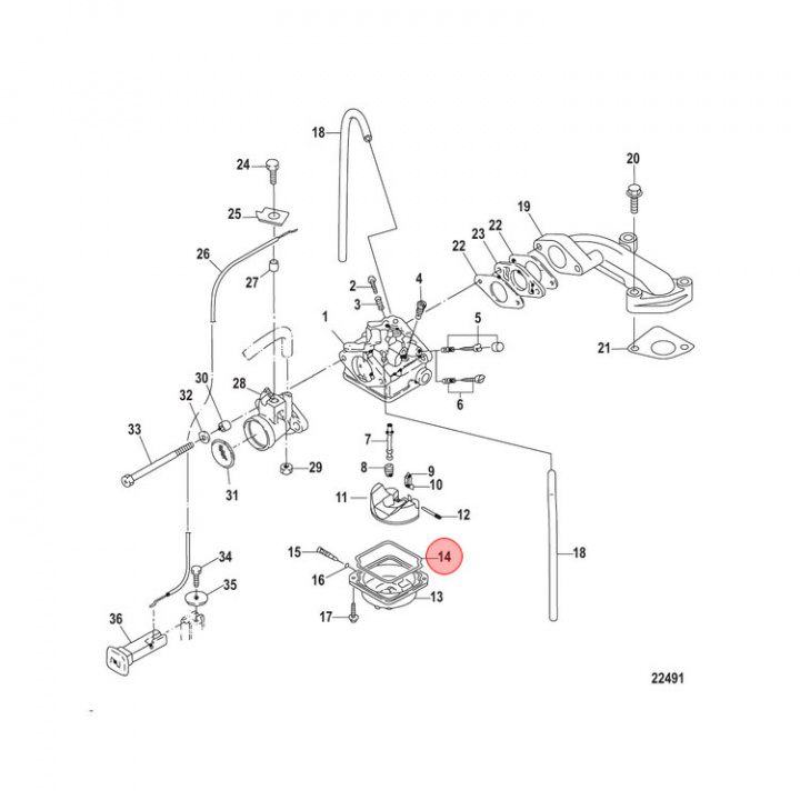
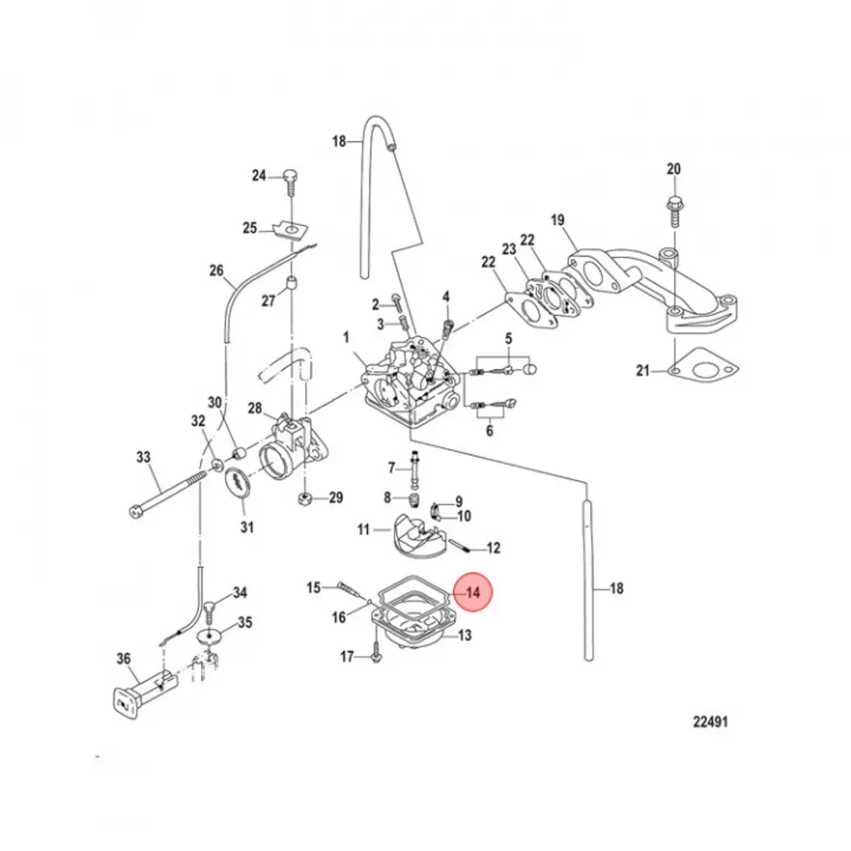
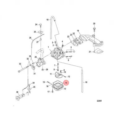
Flottörhuspackning Mercury/Mariner 2-6 hk (8035084)
Artnr:
8035084
65 kr
- Produktbeskrivning
-
Flottörhuspackning (8035084) till Mercury/Mariner 2-6 hk utombordare. - Egenskaper
-
- Leveransinformation
-
Lagersaldo: -2Frakt: Frakt 0-3kg


