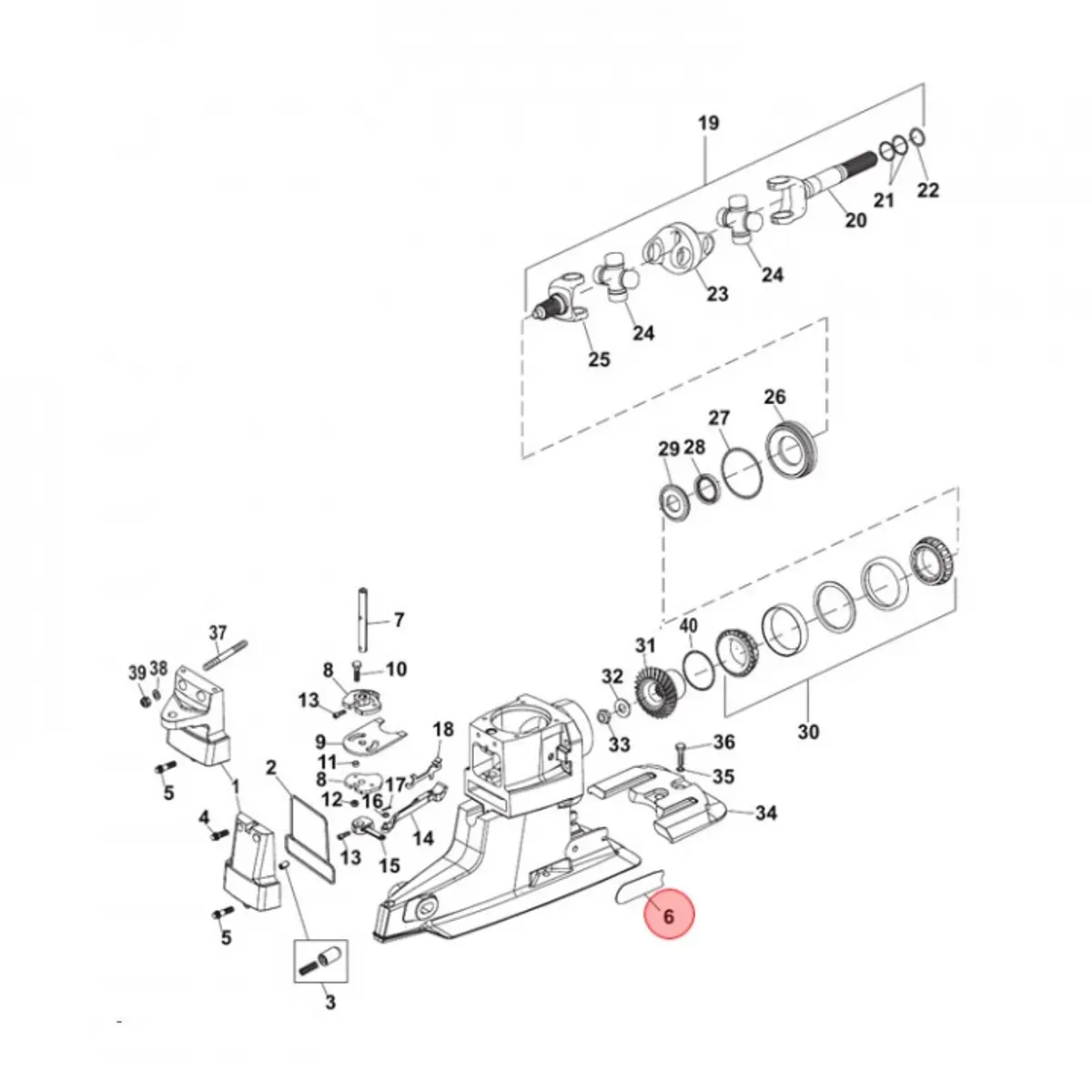
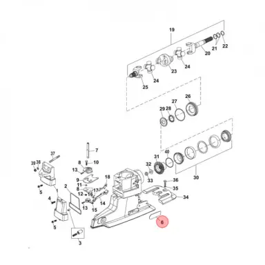
Glidplattor Överhus (805261A1)
Artnr:
805261A1
439 kr
- Produktbeskrivning
-
Glidplattor Överhus (805261A1) till Mercruiser drev, titta i din epc för att säkerställa att delen passar just din motor. - Egenskaper
-
- Leveransinformation
-
Lagersaldo: -2Frakt: Frakt 0-3kg


