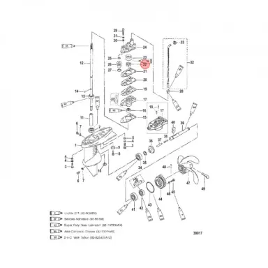
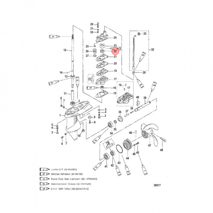
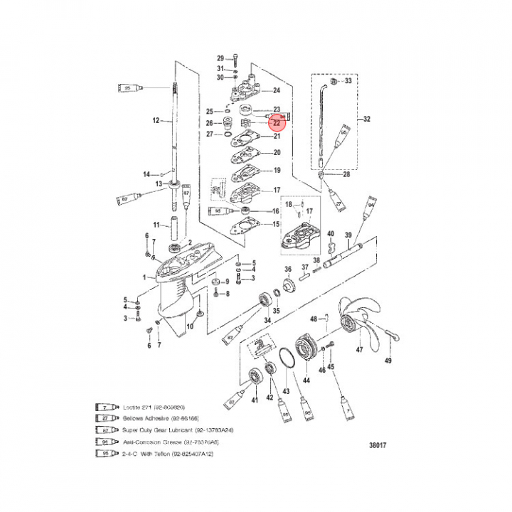
Impeller 2-6 hk (8M0204676)
Artnr:
8M0204676
119 kr
- Produktbeskrivning
-
Mercury impeller för vissa motorer mellan 2-6 hk. Se alltid ditt motornummer i Mercurys epc för att säkerställa att det är rätt artikel för just din utombordsmotor.
Tidigare artikelnummer: 161543 - Egenskaper
-
- Leveransinformation
-
Lagersaldo: 0Frakt: Frakt 0-3kg


