Insug Mercury/Mariner 4-6 hk 4-takt (803530)
Artnr:
803530
245 kr
- Produktbeskrivning
-
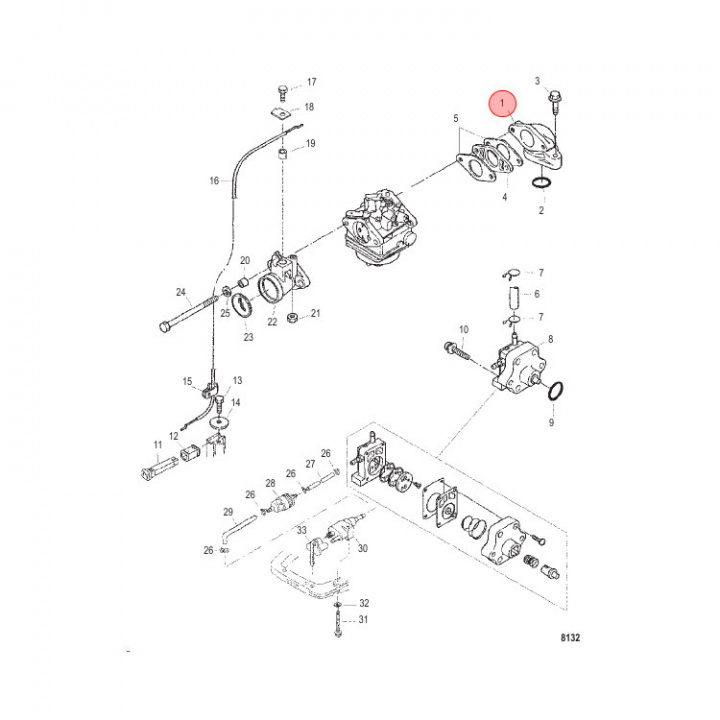
Insug (803530) till Mercury/Mariner 4-6 hk 4-takt. Titta i din epc för att säkerställa att delen passar just din motor. - Egenskaper
-
- Leveransinformation
-
Lagersaldo: 0Frakt: Frakt 0-3kg


