Jabsco självsugande impellerpump i brons med elektrisk magnetkoppling av remskiva. Aktiveras genom strömbrytare (tillval) som kan placeras på lämplig plats.
Finns i fyra varianter, 12V eller 24V samt med 2xA eller 1xB spår.
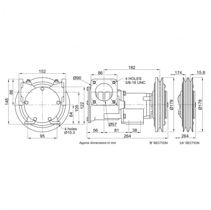
• Pumpstorlek 270 med 2″ fläns anslutningar.
• 267 l/min vid 1500 v/min
• Sughöjd på upp till 3,0m
• Mekanisk axeltätning för bästa tätningsförmåga.
• Utrustad med impeller av neopren.
Pumpen passar till applikationer som läns och spolning samt som brandpump. Lämpligt tillbehör är vakuumströmbrytaren som monteras på sugledning och skyddar pumpen mot torrkörning. Pumpen kan köras i bägge rotationsriktningarna. Bronshus och rostfri axel gör den väl lämpad för marin miljö.
• Samtliga Jabsco 50270 med fläns har följande specifikationer gemensamt.
• Kapacitet vid 3m och 1500v/min: 267 l/min
• Sughöjd: 3,0m
• Anslutning: 2” flänsar
| Artnr. | Rem-skiva | Spänning | Säkring |
| 50270-0011 | 2xA spår | 12V | 5A |
| 50270-0111 | 2xA spår | 24V | 2,5A |
| 50270-0211 | 1xB spår | 12V | 5A |
| 50270-0311 | 1xB spår | 24V | 2,5A |



