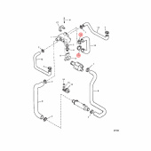
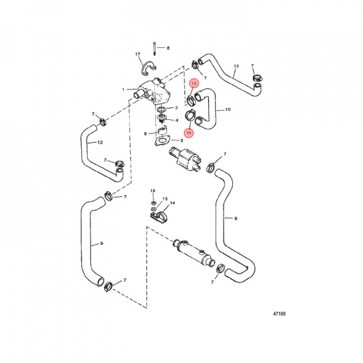
Klämma Mercruiser L4/L6V6/V8 (815504232)
Artnr:
815504232
95 kr
- Produktbeskrivning
-
Klämma (815504232) till kylsystemet till Mercruiser L4/L6V6/V8 motorer. Titta i din epc för att säkerställa att delen passar just din motor.
Tidigare art: 8M2001491, 8M2001490 - Egenskaper
-
- Leveransinformation
-
Lagersaldo: 0Frakt: Frakt 0-3kg


