Knutkors Mercruiser Alpha One Gen II (805536A2)
			Artnr: 
				805536A2
		
				1379 kr
			
			- Produktbeskrivning
- 
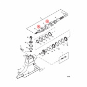
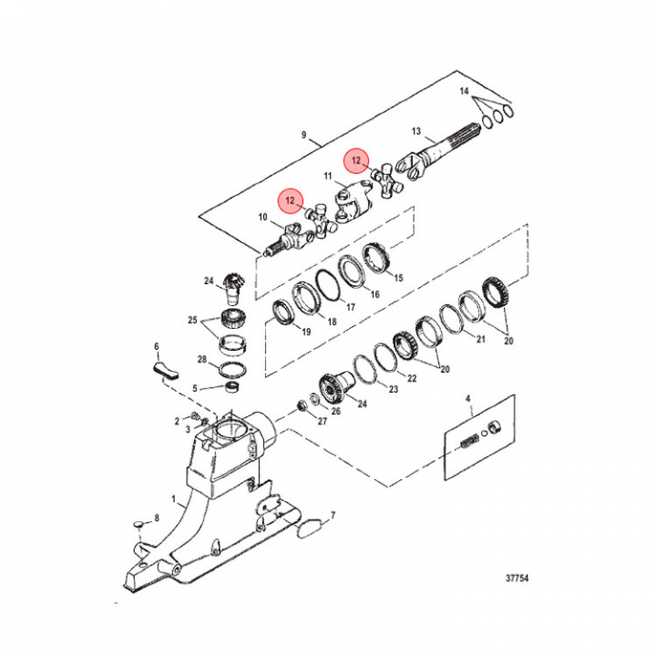
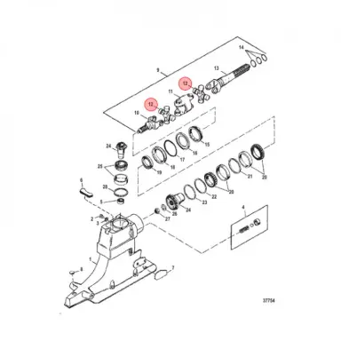
				Knutkors (805536A2) till Mercruiser Alpha One Gen II, titta i din epc för att säkerställa att delen passar just din motor. 
- Egenskaper
- 
				
- Leveransinformation
- 
				Lagersaldo: 0Frakt: Frakt 0-3kg



 
		 
		 
		