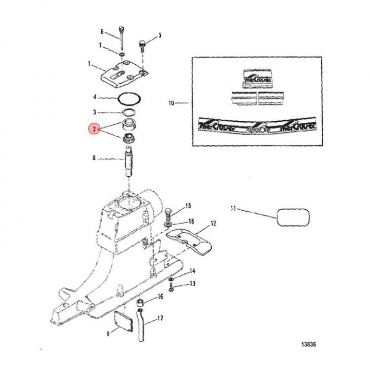
Lagersats (61100A1)
Artnr:
61100A1
959 kr
- Produktbeskrivning
-
Lagersats (61100A1) till Mercruiser motorer, bland annat Alpha One SS, Gen I/II olika årtal. Titta i din epc för att säkerställa att delen passar just din motor. - Egenskaper
-
- Leveransinformation
-
Lagersaldo: 0Frakt: Frakt 0-3kg


