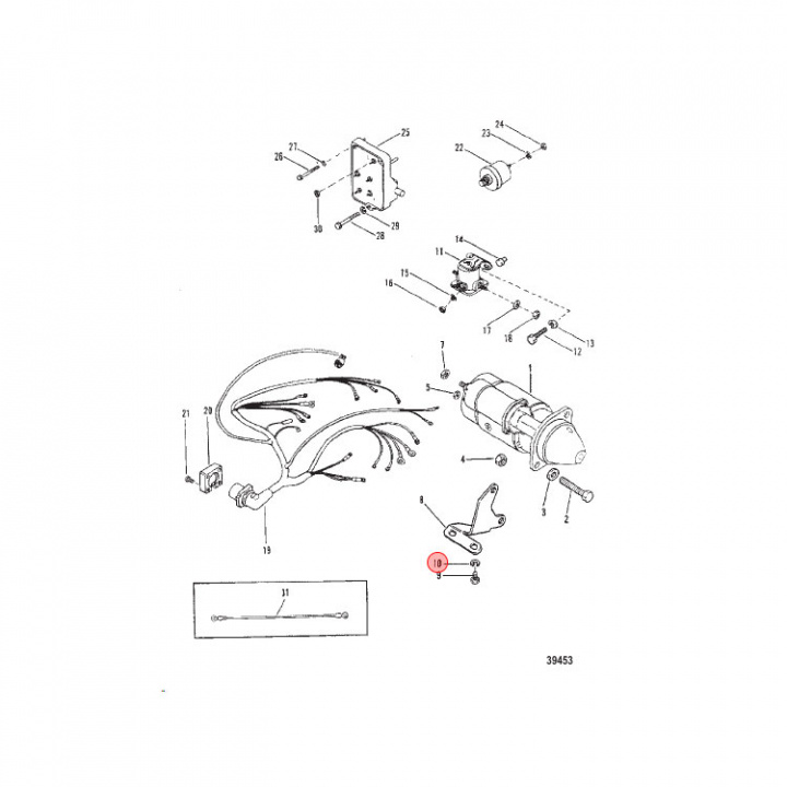
Låsbricka Mercruiser (35048)
Artnr:
35048
19 kr
- Produktbeskrivning
-
Låsbricka (35048) passar Mercruiser inombordare, titta i din epc för att säkerställa att produkten passar just din motor.
Tidigare art: 37459 - Egenskaper
-
- Leveransinformation
-
Lagersaldo: 0Frakt: Frakt 0-3kg



