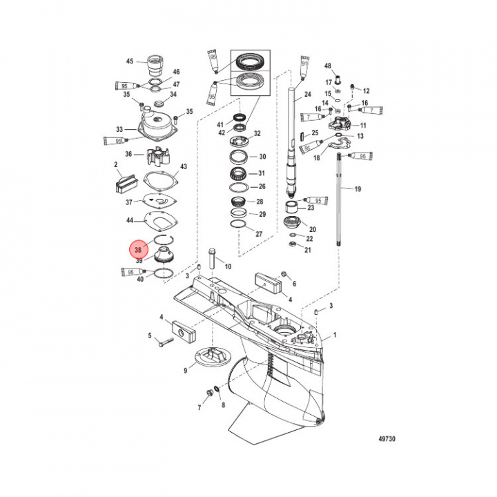
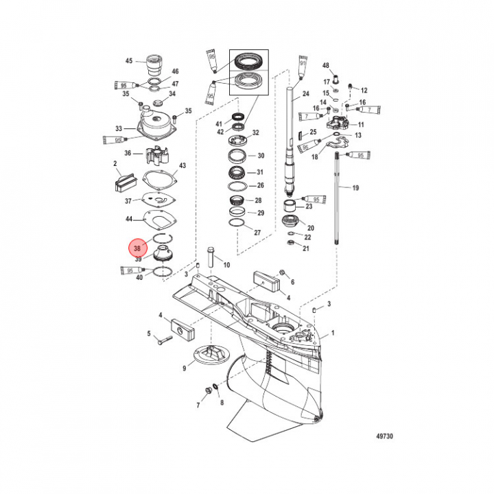
Låsring Mercury 135-400 hk (880719)
Artnr:
880719
15 kr
- Produktbeskrivning
-
Låsring (880719) till impeller och växelhuset på Mercury 135-400 hk utombordare. Titta i din epc för att säkerställa att delen passar just din motor. - Egenskaper
-
- Leveransinformation
-
Lagersaldo: 0Frakt: Frakt 0-3kg


