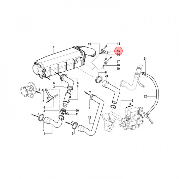
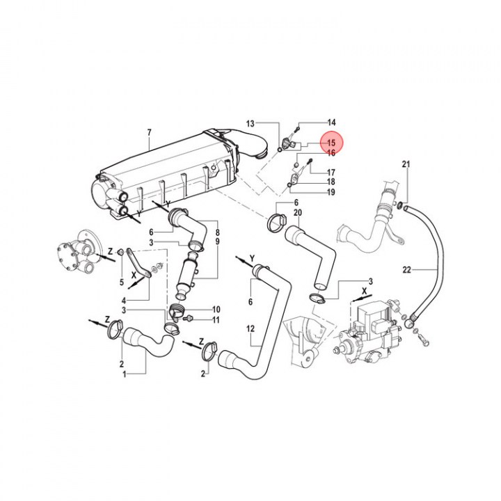
MAP Sensor Mercruiser CMD (889870)
Artnr:
889870
2269 kr
- Produktbeskrivning
-
MAP Sensor (889870) till kylningen på Mercruiser CMD motorer. Titta i din epc för att säkerställa att delen passar just din motor. - Egenskaper
-
- Leveransinformation
-
Lagersaldo: 0Frakt: Frakt 0-3kg


