Mutter Mercury/Mercruiser 2-pack (8267119)
Artnr:
8267119
45 kr
- Produktbeskrivning
-
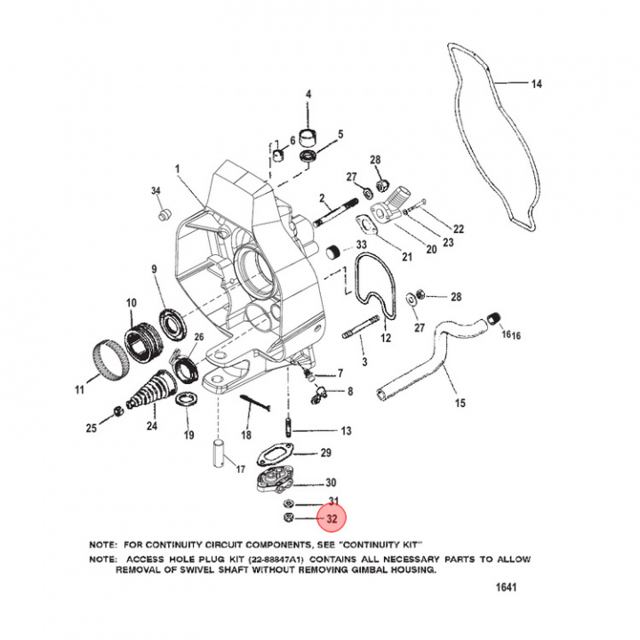
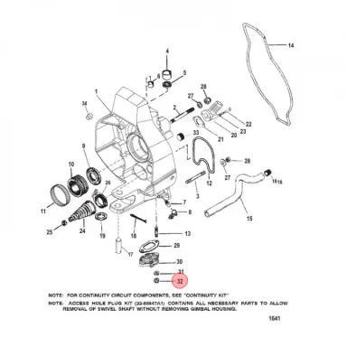
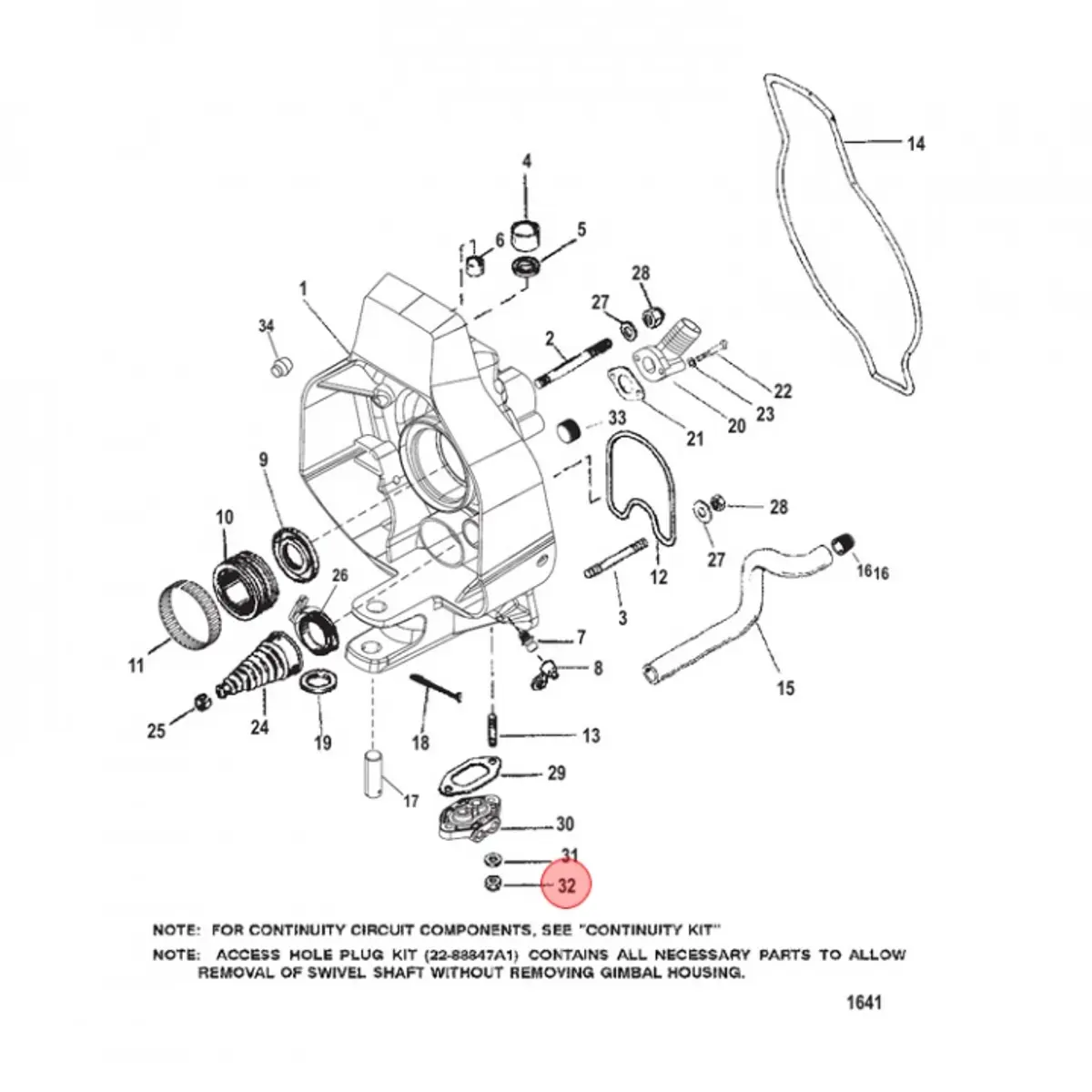
Mutter (8267119) till flera områden på Mercury/Mariner 30-200 hk motorer och Mercruiser 2.5-8.2L motorer och Alpha One Gen II, Bravo I/III drev. Kommer i 2-pack, titta i din epc för att säkerställa att delen passar just din motor. - Egenskaper
-
- Leveransinformation
-
Lagersaldo: 0Frakt: Frakt 0-3kg



