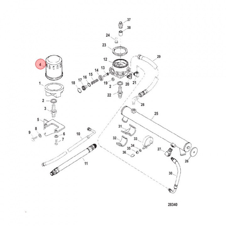
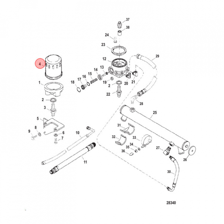
Oljefilter Mercruiser 5.7L V8 (16595Q)
Artnr:
16595Q
219 kr
- Produktbeskrivning
-
Oljefilter (16595Q), Hi-Performance GM V8
Tidigare art: 99884, 16595 - Egenskaper
-
- Leveransinformation
-
Lagersaldo: -1Frakt: Frakt 0-3kg


