Packboxsats Alpha One Gen II (816575A3)
Artnr:
816575A3
1435 kr
- Produktbeskrivning
-
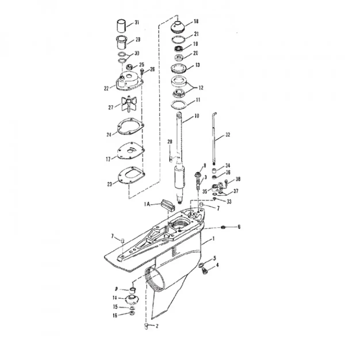
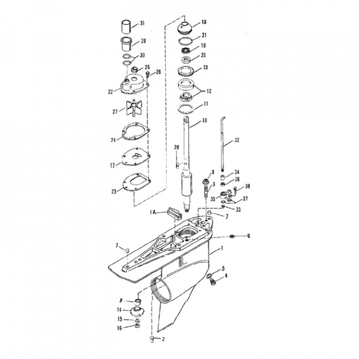
Packboxsats (816575A3) till växelhuset på Mercruiser Alpha One Gen II motorer. Titta i din epc för att säkerställa att delen passar just din motor. - Egenskaper
-
- Leveransinformation
-
Lagersaldo: 0Frakt: Frakt 0-3kg


