Packboxsats Mercury/Mariner/Force (85090A2)
Artnr:
85090A2
1235 kr
- Produktbeskrivning
-
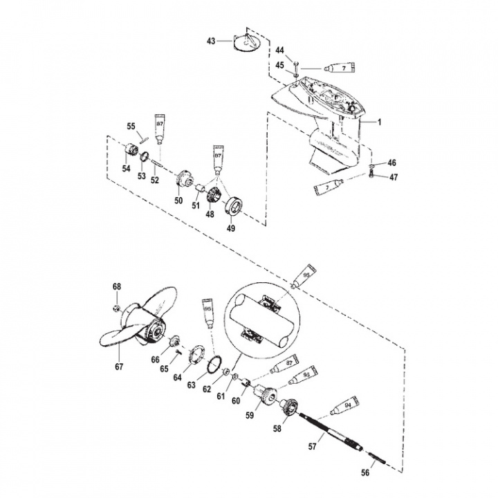
Packboxsats (85090A2) till Mercury/Mariner/Force 8, 9.9, 13, 15, 20 och 25 hk utombordare. Titta i din epc för att säkerställa att delen passar just din motor. - Egenskaper
-
- Leveransinformation
-
Lagersaldo: 0Frakt: Frakt 0-3kg


