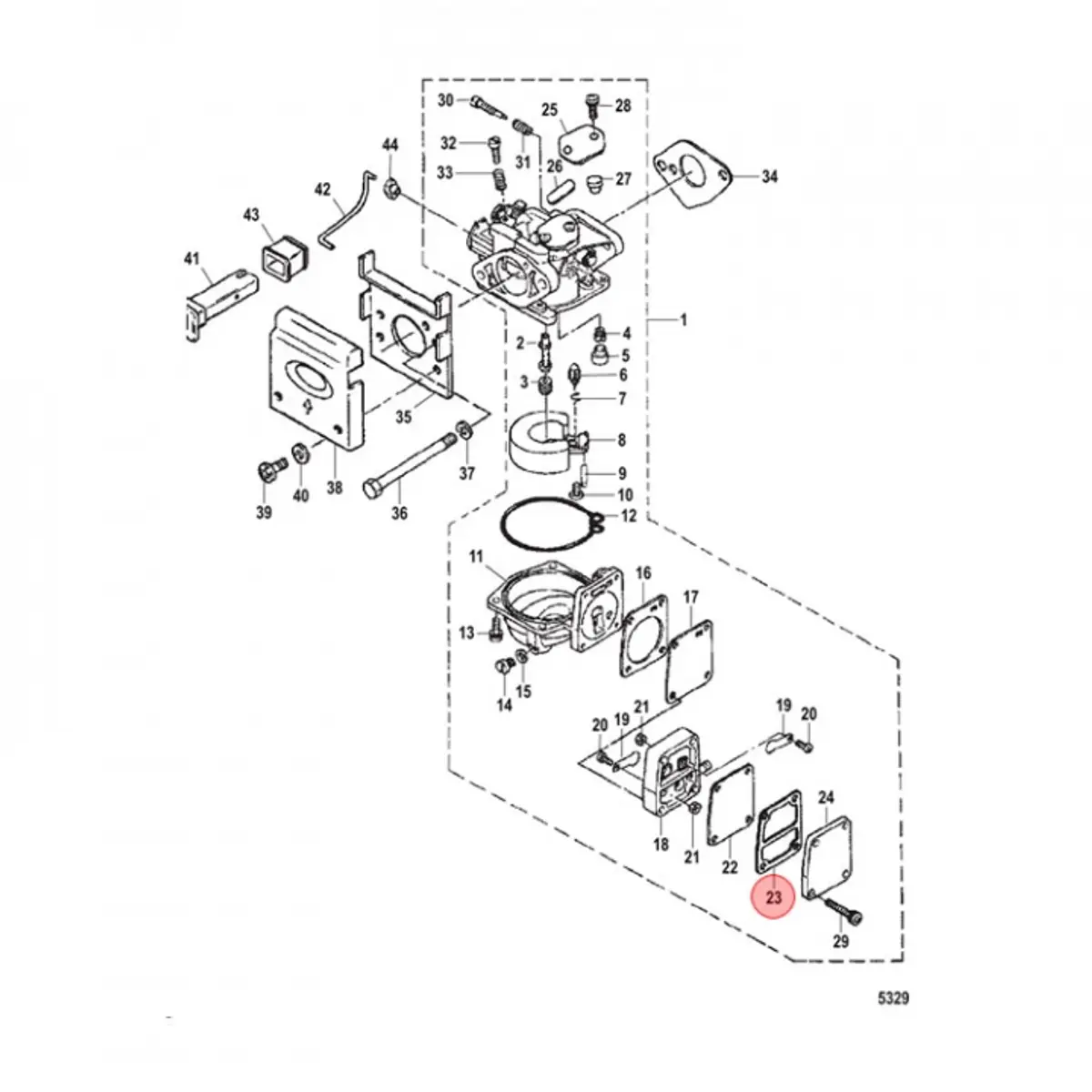
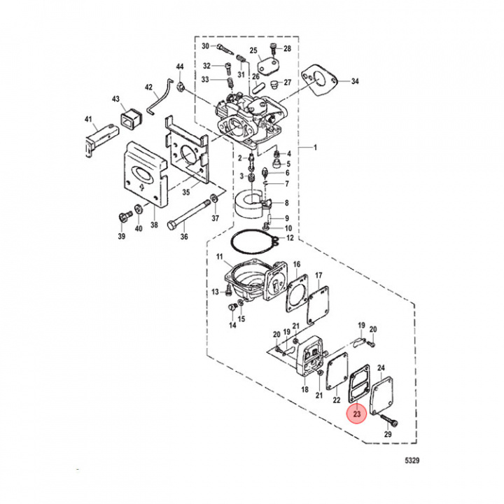
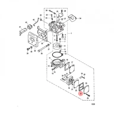
Packning 4-9.9 hk (16274)
Artnr:
16274
39 kr
- Produktbeskrivning
-
Packning 4-9.9 hk (16274), packning till förgasare till Mercury/Mariner utombordare 4-99 hk - Egenskaper
-
- Leveransinformation
-
Lagersaldo: -1Frakt: Frakt 0-3kg


