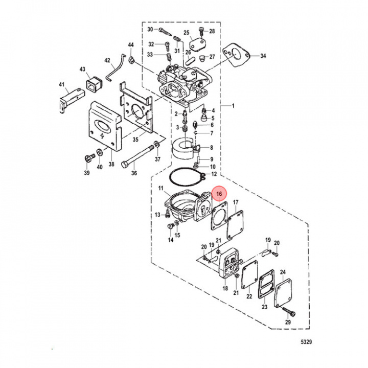
Packning 4-9.9 hk (16326)
Artnr:
16326
35 kr
- Produktbeskrivning
-
Packning 4-9.9 hk (16326), packning till förgasare på Mercury/Mariner utombordare - Egenskaper
-
- Leveransinformation
-
Lagersaldo: -1Frakt: Frakt 0-3kg


