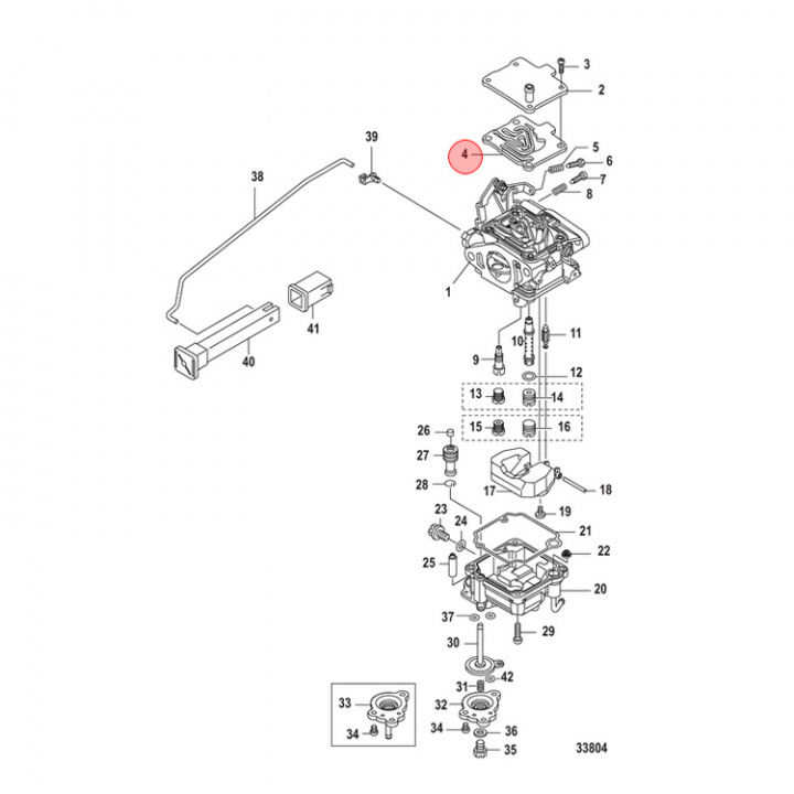
Packning Förgasare Mercury 10-20 hk (855541005)
Artnr:
855541005
99 kr
- Produktbeskrivning
-
Packning (855541005) till förgasaren på Mercury 10, 15 och 20 hk 2-cyl utombordare. Titta i din epc för att säkerställa att delen passar just din motor.
Passar motorer:
• 0R686020 och nedåt
• 0R686021 och uppåt - Egenskaper
-
- Leveransinformation
-
Lagersaldo: 0Frakt: Frakt 0-3kg


