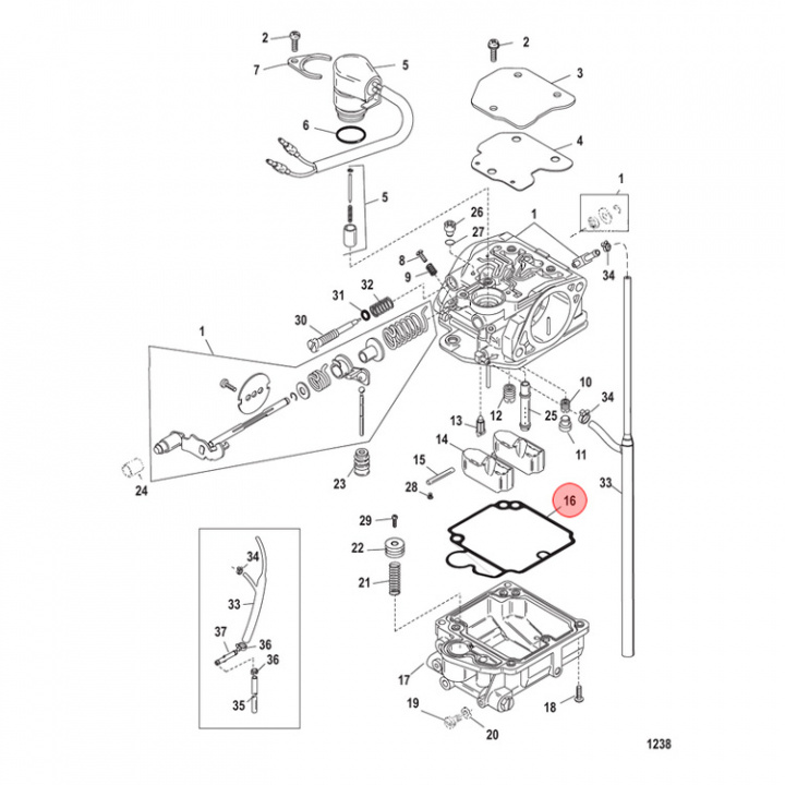
Packning Förgasare Mercury 25-60 hk (8542573)
Artnr:
8542573
219 kr
- Produktbeskrivning
-
Packning (8542573) till förgasaren på Mercury 25-60 hk 3/4 cyl utombordare. Titta i din epc för att säkerställa att delen passar just din motor. - Egenskaper
-
- Leveransinformation
-
Lagersaldo: 0Frakt: Frakt 0-3kg


