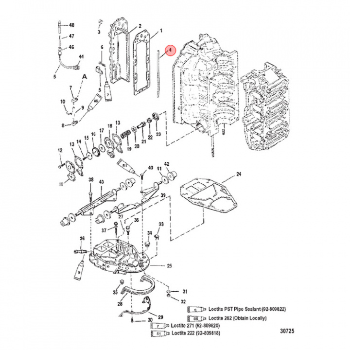
Packning Mercury (814754)
Artnr:
814754
95 kr
- Produktbeskrivning
-
Packning (814754) till Mercury 105 Jet samt V-115 till V-200 utombordare. Titta i din epc för att säkerställa att delen passar just din motor. - Egenskaper
-
- Leveransinformation
-
Lagersaldo: 0Frakt: Frakt 0-3kg


