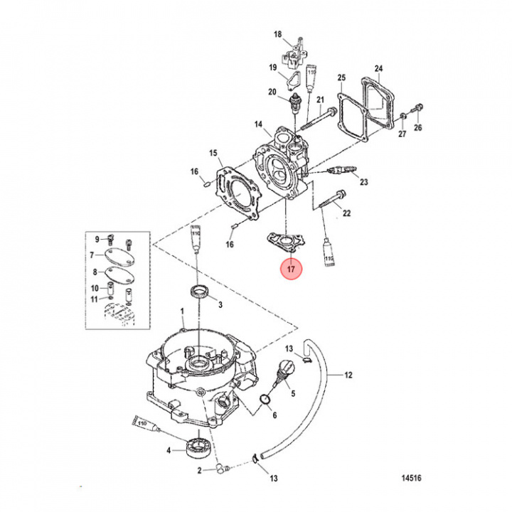
Packning Mercury/Mariner 4-6 hk (803508012)
Artnr:
803508012
35 kr
- Produktbeskrivning
-
Undre packning (803508012) till topplocket på Mercury/Mariner 4-6 hk utombordare
Tidigare art: 8035081 - Egenskaper
-
- Leveransinformation
-
Lagersaldo: 0Frakt: Frakt 0-3kg


