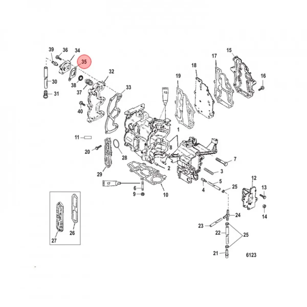
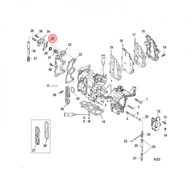
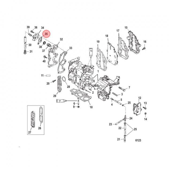
Packning Thermostathus 6-15 hk (19205002)
Artnr:
19205002
39 kr
- Produktbeskrivning
-
Packning Thermostathus 6-15 hk (19205002). Övre packning till thermostathuset, se sprängskiss (bild)
Tidigare art: 192051 - Egenskaper
-
- Leveransinformation
-
Lagersaldo: 0Frakt: Frakt 0-3kg


