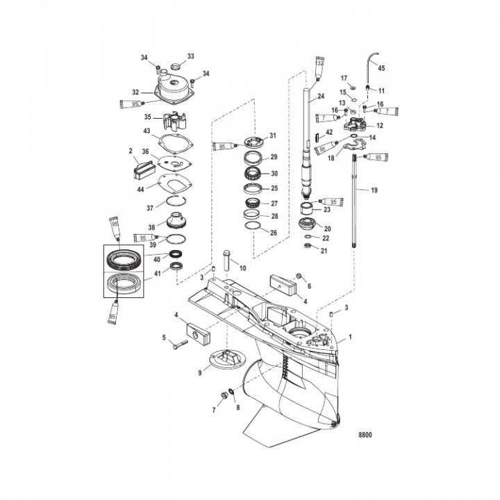
Packningsats Växelhus Mercury 135-400 hk (830749A01)
Artnr:
830749A01
815 kr
- Produktbeskrivning
-
Packningsats (830749A01) till växelhuset på Mercury 135-200 och 225-400 hk utombordare. Titta i din epc för att säkerställa att delen passar just din motor. - Egenskaper
-
- Leveransinformation
-
Lagersaldo: 0Frakt: Frakt 0-3kg


