Packningssats Mercruiser/Mariner (33144A2)
Artnr:
33144A2
1125 kr
- Produktbeskrivning
-
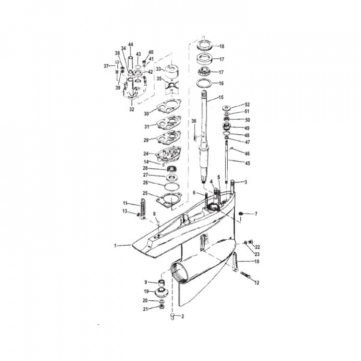
Packningssats (33144A2) Mercruiser Alpha One och Mariner 88 135-200 hk V6, 89 135-200 hk V6 2-takt
Tidigare art: 89238A1 - Egenskaper
-
- Leveransinformation
-
Lagersaldo: -1Frakt: Frakt 0-3kg


