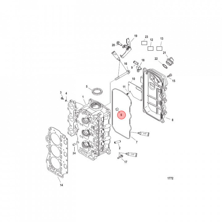
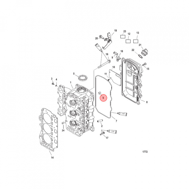
Plugg Mercury 30-60 hk (875209)
Artnr:
875209
69 kr
- Produktbeskrivning
-
Plugg (875209) till head'et på Mercury 30-60 hk utombordare. Titta i din epc för att säkerställa att delen passar just din motor. - Egenskaper
-
- Leveransinformation
-
Lagersaldo: 0Frakt: Frakt 0-3kg


