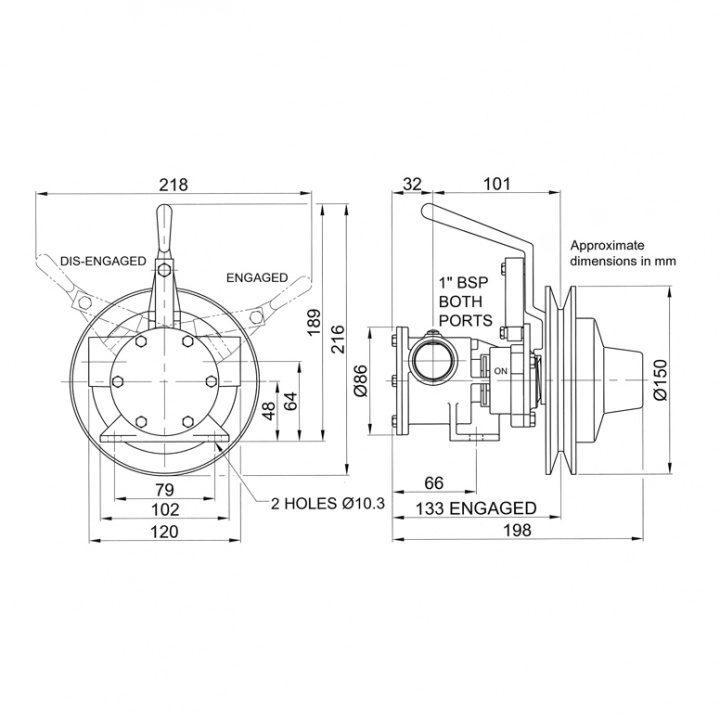
Jabsco självsugande impellerpump i brons med manuell koppling av remskiva. Pumpen aktiveras genom att spaken på pumpen flyttas.
• Pumpstorlek 80 med 1″ BSP anslutningar.
• 80 l/min vid 1500 v/min
• Sughöjd på upp till 2,4m
• Utrustad med impeller av neopren, finns oljebeständig impeller i nitril som tillval.
Pumpen passar till applikationer som läns och spolning samt som brandpump.
Pumpen kan köras i bägge rotationsriktningarna. Bronshus och rostfri axel gör den väl lämpad för marin miljö.
• 1A / 1B remskiva
• Kapacitet vid 3m och 1500v/min: 80 l/min
• Sughöjd: 2m
• Anslutning: 1” BSP




 
		 
		 
		