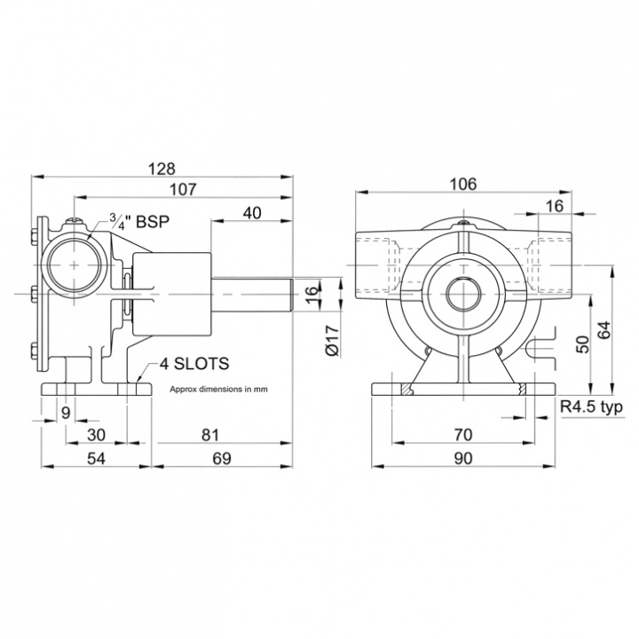
Jabsco självsugande impellerpump för remdrift i brons.
Pumpstorlek 40 med 3/4″ BSP anslutningar.
Utrustad med impeller av neopren.
• 40 l/min vid 1500 v/min
• Sughöjd på upp till 2,4m
Självsugande och därför idealisk till kylning av motorer. Bronshus och rostfri axel gör den väl lämpad för marin miljö. Pumpen kan köras i bägge rotationsriktningarna.
• Jabsco kylvattenpump
• 40 l/min kapacitet vid 3 m och 1500 v/min
• Max flöde 50 l/min
• Sughöjd 2,4 m
• Axeldimension 17mm
• Anslutning 3/4″ BSP



