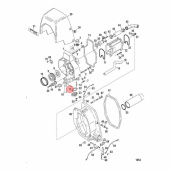
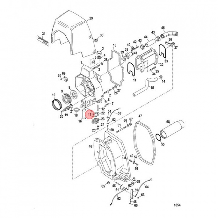
Saxpinne (54929)
Artnr:
54929
85 kr
- Produktbeskrivning
-
Saxpinne (54929) till Mercruiser Alpha One Gen II. Titta i din epc för att säkerställa att delen passar just din motor. - Egenskaper
-
- Leveransinformation
-
Lagersaldo: 0Frakt: Frakt 0-3kg


