Special Seastar frontmonterad hydraulcylinder för utombordare upp till 350Hk till katamaraner.
Ny version (-3) med -5 ORB gänga som är o-ring tätade och möjligt att rotera nippeln för att få rätt vinkel.
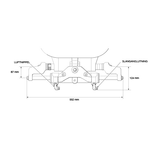
Äldre versioner av cylindern har 1/4″ NPT gänga.
Cylindern är en specialversion på Seastar HC5345-3 cylindern med en annan intern axeltätning. Den förhindrar internläckage som kan uppstå vid installationer utan mekaniskt parallellstag.
Installation med två katamarancylindrar skall utföras med en parallellventil HA5471-2.
Cylindrar skall alltid användas tillsammans med SeaStar PRO rattpump. Rattpumparna finns med olika kapacitet vilket påverkar antal rattvarv och tröghet. Rekommenderad rattpump till HC5375-3 är HH5770-3 (33,0cm³/rattvarv) som ger 4,1 rattvarv, de finns även i flera versioner för infällning eller med tilt funktion för att ställa rattvinkel.
Hydraulslang som är kevlar armerad med pressade kopplingar skall alltid användas, de finns i flera versioner, se tillbehör.
Cylindervolym: 136.6 cm³
Kompatibilitetslista:
Listan presenterar de vanligaste förekommande utombordsmotorerna på marknaden. En del installationer kan kräva en extra monteringssats, HA5477 jordkabel rekommenderas för att undvika galvanisk korrosion.
| Fabrikat | År | Modell | Cylinder | Anm. |
| Honda | 1996– | 75-90Hk | HC5375-3 | |
| 2001– | BF150 | HC5375-3 | ||
| 2003– | BF135 | HC5375-3 | ||
| 2010– | 115Hk | HC5375-3 | ||
| 2015– | BF100 | HC5375-3 | ||
| Johnson/ Evinrude | 1991- | 40-300Hk 2-t | HC5375-3 | & ETech |
| 1997-2006 | 75-300Hk Ficht | HC5375-3 | ||
| 2002– | 200-225Hk 4-t | HC5375-3 | ||
| 2018– | 250-300Hk V6 | HC5375-3 | & H.O. | |
| Mercury/ Mariner | 1998– | 75-300Hk 2-t | HC5375-3 | |
| 2004– | 150-200Hk Verado | HC5375-3 | ||
| 2017– | 175-225Hk V6 | HC5375-3 | ||
| 2018– | 250-300Hk V8 | HC5375-3 | 2 | |
| OXE | 2017– | 200Hk Diesel | HC5375-3 | |
| Selva | 2014- | 115Hk | HC5375-3 | |
| 2000- | 150Hk | HC5375-3 | ||
| 2007- | 200-300Hk V6 | HC5375-3 | ||
| Suzuki | 1986-2000 | DT-100Hk | HC5375-3 | |
| 1986-2002 | 115-140Hk | HC5375-3 | Ej 1996 | |
| 1986-2013 | 150-225Hk 2/4-t | HC5375-3 | ||
| 2013- | 150-200Hk 4-cyl | HC5375-3 | ||
| Tohatsu | 1990– | 40-140 Hk | HC5375-3 | |
| 2014– | BFT60-BFT150 | HC5375-3 | ||
| Yamaha | 1990-2003 | 40-90 Hk 2-takt | HC5375-3 | 1 |
| 1986– | 100-300 Hk 2-takt | HC5375-3 | ||
| 1997– | 80-250 Hk 4-takt | HC5375-3 | ||
| 2000– | 150-300 Hk | HC5375-3 | ||
| 2007– | 200-300 Hk V6 4-takt | HC5375-3 | ||
| 2007– | F300-F350 Hk 5.3 V8 | HC5375-3 | ||
| 2012– | 150-200 Hk 4 cyl | HC5375-3 | ||
| 2014– | F115B | HC5375-3 |
Anm. (Anmärkningar):
1. Monteringssats HO5090 krävs
Använd alltid Seastar olja 009486, felaktig olja kan göra att systemet inte uppför sig normalt.
Se Minimum mått för montering samt Installation med HA5471-2 parallell ventil bland bilderna.




