Sjövattenpump Mercruiser (807151A9)
			Artnr: 
				807151A9
		
				7919 kr
			
			- Produktbeskrivning
- 
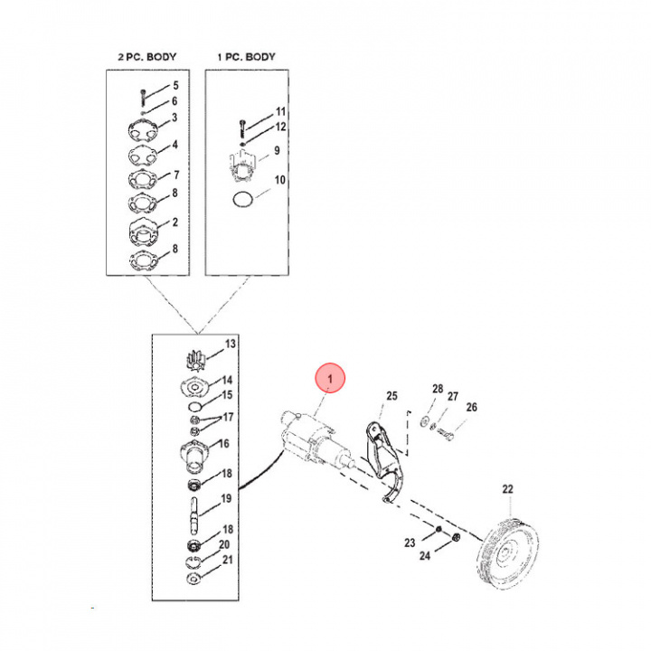
				Sjövattenpump (807151A9) tillverkat av plast för att motverka korrosion i saltvattensinstallationer. Det är avsett för V6 och V8 MerCruiser-motorer tillverkade av General Motors, med ett serpentindrivet remskivesystem för motoraccessoarer och elektriska bränslepumpar. 
- Egenskaper
- 
				
- Leveransinformation
- 
				Lagersaldo: -1Frakt: Frakt 0-3kg





 
		 
		 
		