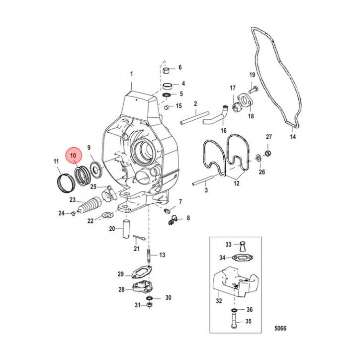
Stödlager Mercruiser Alpha/Bravo (879194A01)
Artnr:
879194A01
1695 kr
- Produktbeskrivning
-
Stödlager (879194A01) till Mercruiser Alpha One och Bravo I/II/III motorer. Titta i din epc för att säkerställa att delen passar just din motor.
Passar:
• Alpha One S/N - 2A629407 & Upp
• Bravo I/II/III S/N -2A792421 & Upp - Egenskaper
-
- Leveransinformation
-
Lagersaldo: 0Frakt: Frakt 0-3kg



