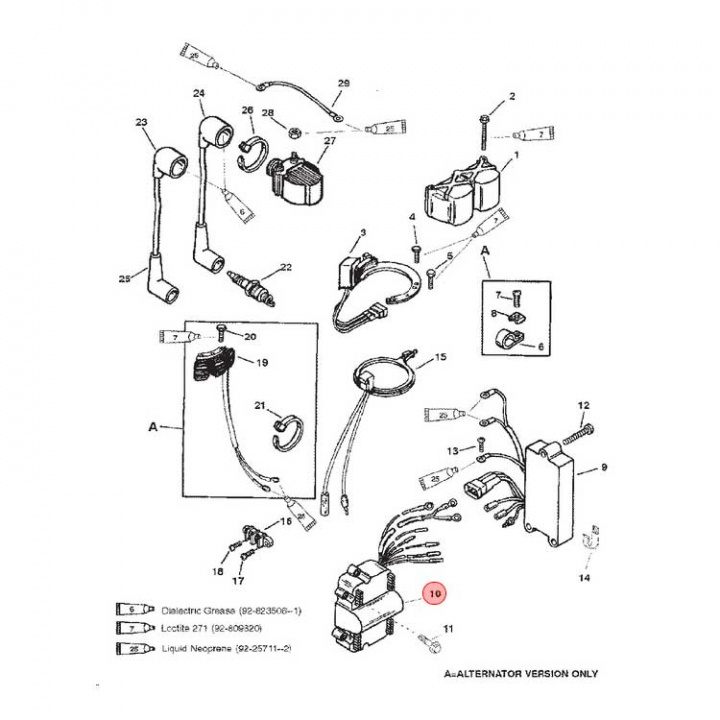
Switch Box (7452A19)
			Artnr: 
				7452A19
		
				3589 kr
			
			- Produktbeskrivning
- 
				Switch Box (7452A19) till Mercury/Mariner 6-25 hk. Titta i din epc för att säkerställa att delen passar just din motor. 
 Tidigare art: 7452A9, 7452A15
- Egenskaper
- 
				
- Leveransinformation
- 
				Lagersaldo: 0Frakt: Frakt 0-3kg



 
		 
		 
		