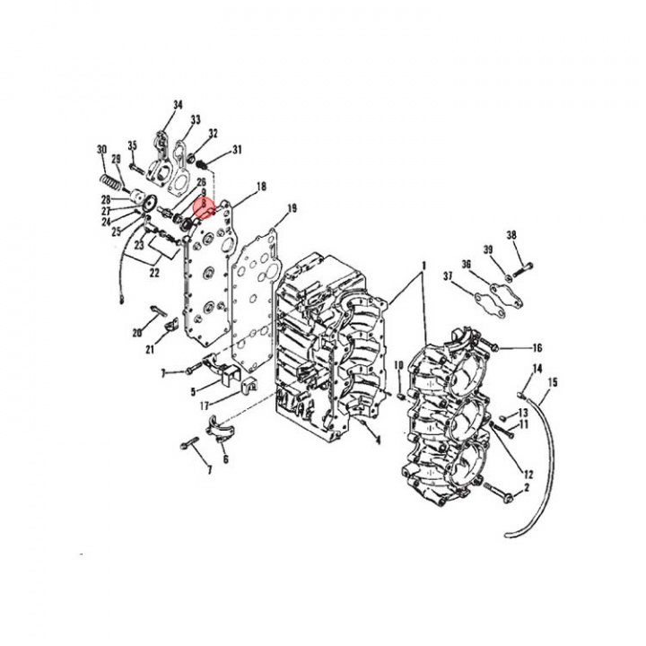
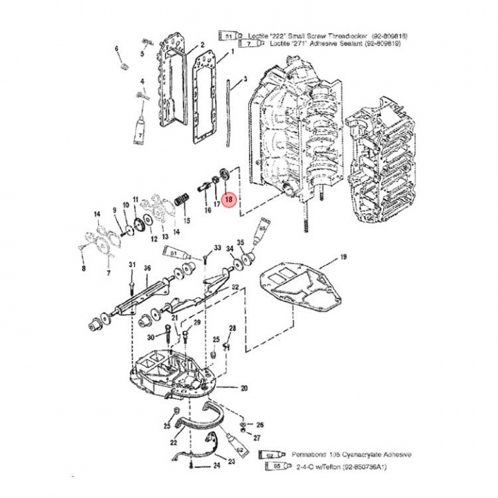
Tätning (65848)
			Artnr: 
				65848
		
				29 kr
			
			- Produktbeskrivning
- 
				Tätning (65848) poppet valve till Mercury motorer. Titta i din epc för att säkerställa att delen passar just din motor. 
 Passar Mercury:
 • 50/55/60/70/75/80/90 3-cyl 2-takt
 • 100/115/125/ 4-cyl 2-takt
 • 150/175 DFI PRO XS 2.5L
 • V-135/150 DFI 2.5L
 • V-150/175/200/225
 • V-150/175/200 EFI 2.5L
- Egenskaper
- 
				
- Leveransinformation
- 
				Lagersaldo: 0Frakt: Frakt 0-3kg




 
		 
		 
		