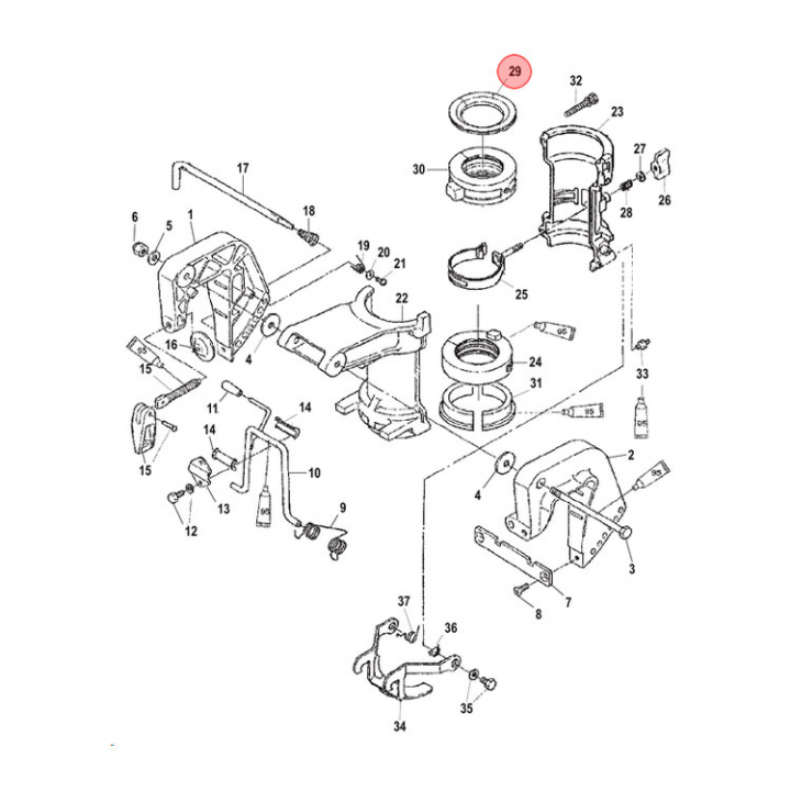
Thrust Plate Övre Mercury/Mariner 2-6 hk 4-takt (803582)
Artnr:
803582
125 kr
- Produktbeskrivning
-
Thrust Plate (803582), sitter på den övre gummibussningen på riggen till Mercury/Mariner 2-6 hk 4-takt utombordare. Titta i din epc för att säkerställa att delen passar just din motor. - Egenskaper
-
- Leveransinformation
-
Lagersaldo: 0Frakt: Frakt 0-3kg


