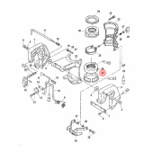
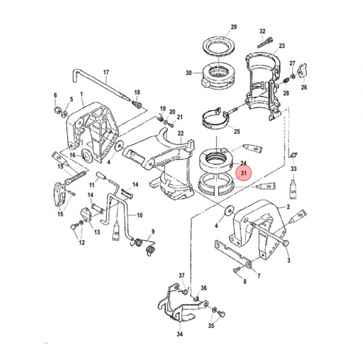
Thrust Plate Undre Mercury/Mariner 2-6 hk 4-takt (8035821)
			Artnr: 
				8035821
		
				59 kr
			
			- Produktbeskrivning
- 
				Thrust Plate (803581), sitter vid den undre gummibussningen på riggen till Mercury/Mariner 2-6 hk 4-takt utombordare. Titta i din epc för att säkerställa att delen passar just din motor. 
- Egenskaper
- 
				
- Leveransinformation
- 
				Lagersaldo: 0Frakt: Frakt 0-3kg



 
		 
		 
		