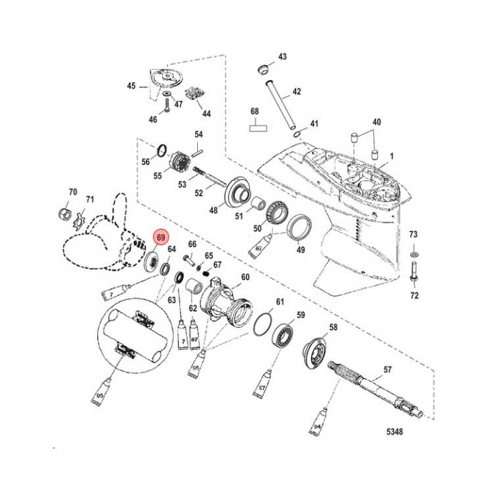
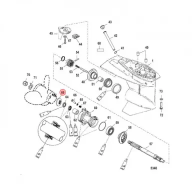
Tryckbricka (73345A1)
Artnr:
73345A1
215 kr
- Produktbeskrivning
-
Tryckbricka (73345A1) till propelleraxeln i växelhuset till Mercury/Mariner 25-60 hk
Tidigare art: 92647M - Egenskaper
-
- Leveransinformation
-
Lagersaldo: 0Frakt: Frakt 0-3kg


