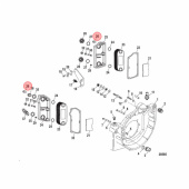
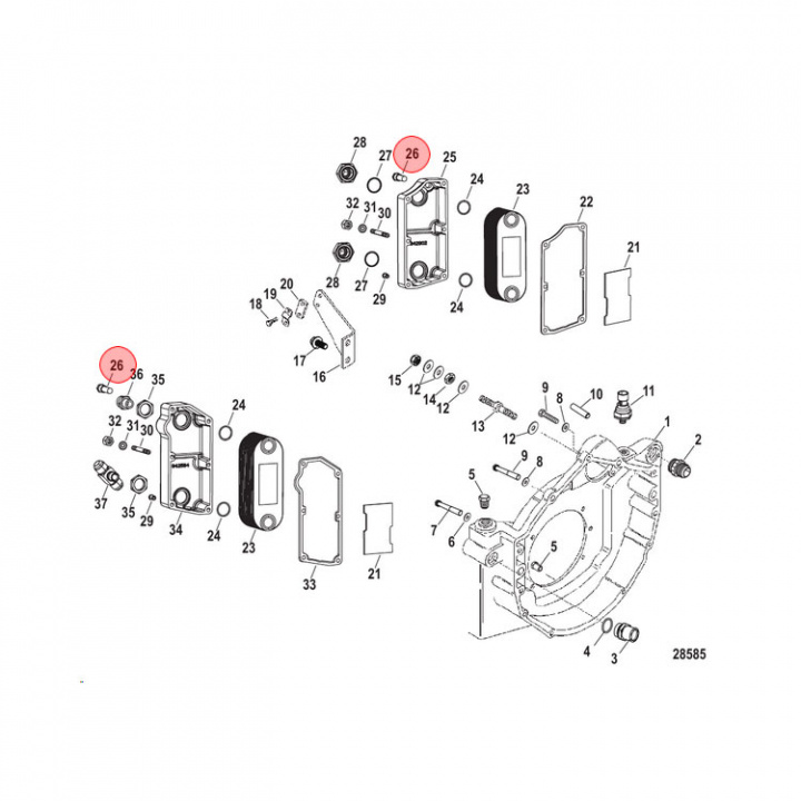
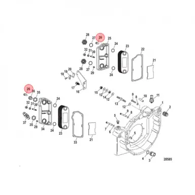
Värmeväxlaranod Mercruiser (806000)
Artnr:
806000
445 kr
- Produktbeskrivning
-
Värmeväxlaranod (806000) till Mercruiser CMD 2.8 och 4.2, titta i din epc för att säkerställa att delen passar just din motor. - Egenskaper
-
- Leveransinformation
-
Lagersaldo: 0Frakt: Frakt 0-3kg


