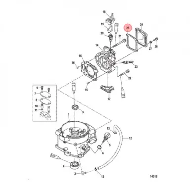
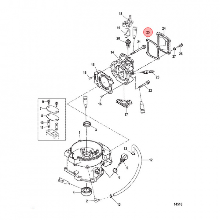
Ventilkåpspackning Mercury/Mariner 4-6 hk (8035082)
Artnr:
8035082
39 kr
- Produktbeskrivning
-
Ventilkåpspackning (8035082) till Mercury/Mariner 4-6 hk utombordare. - Egenskaper
-
- Leveransinformation
-
Lagersaldo: 0Frakt: Frakt 0-3kg


