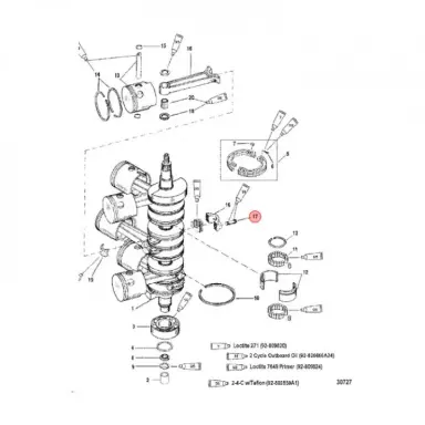
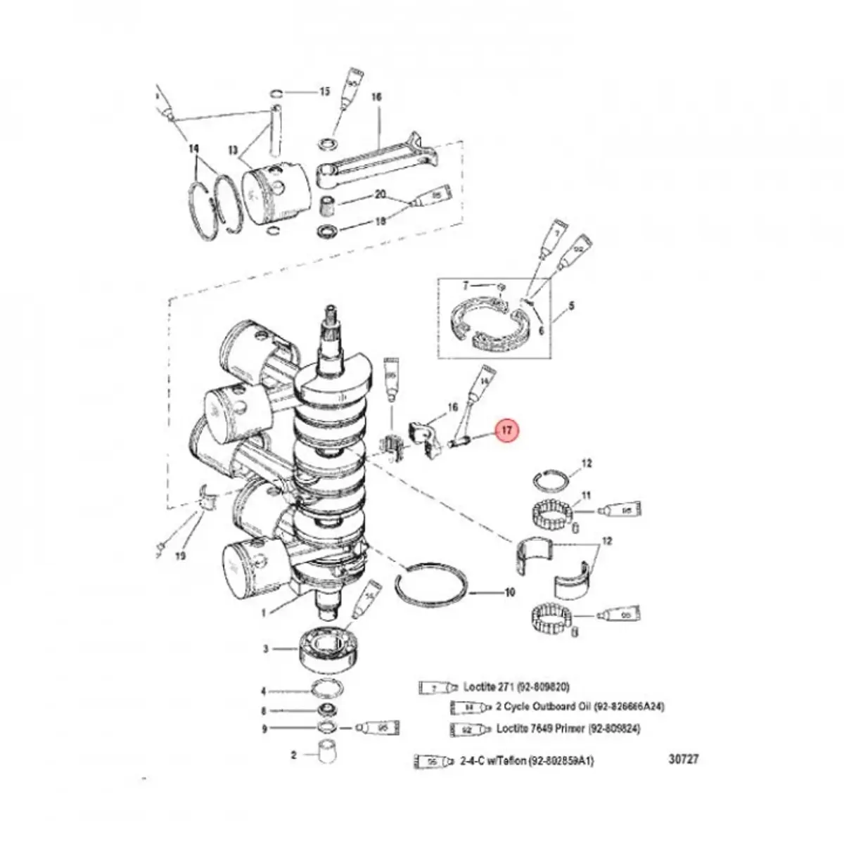
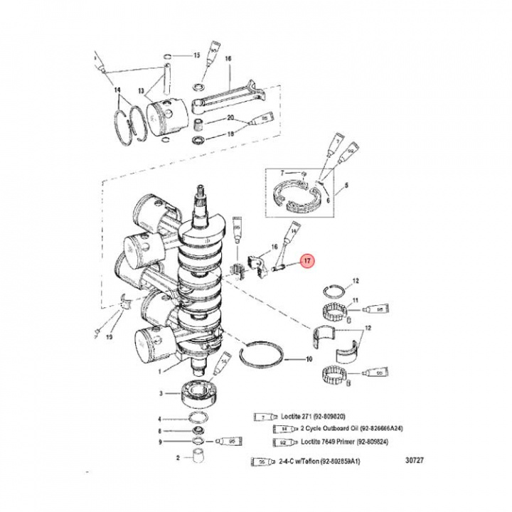
Vevstaksbult (763491)
Artnr:
763491
59 kr
- Produktbeskrivning
-
Vevstaksbult (763491) till Mercury 105-110 JET, V-115-V-200, 150/175 Pro XS utombordare. Titta i din epc för att säkerställa att delen passar just din motor. - Egenskaper
-
- Leveransinformation
-
Lagersaldo: 0Frakt: Frakt 0-3kg


