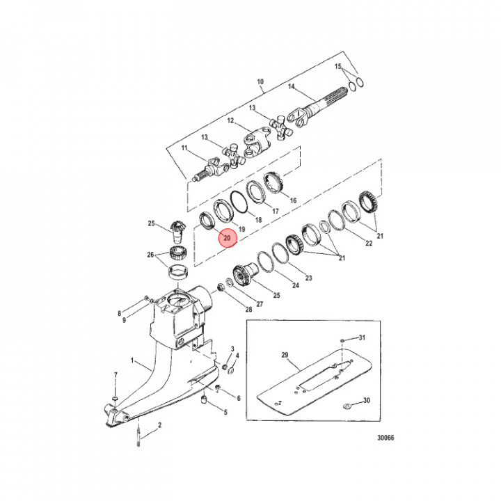
Packbox Mercruiser Alpha One Gen I/II (823894)
			Artnr: 
				823894
		
				429 kr
			
			- Produktbeskrivning
- 
				Packbox (823894) till Mercruiser Alpha One Gen I/II motorer. Titta i din epc för att säkerställa att delen passar just din motor. 
 Tidigare art: 823894B
- Egenskaper
- 
				
- Leveransinformation
- 
				Lagersaldo: 0Frakt: Frakt 0-3kg




 
		 
		 
		