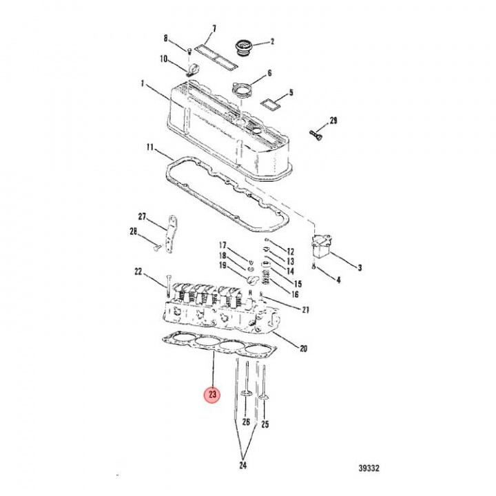
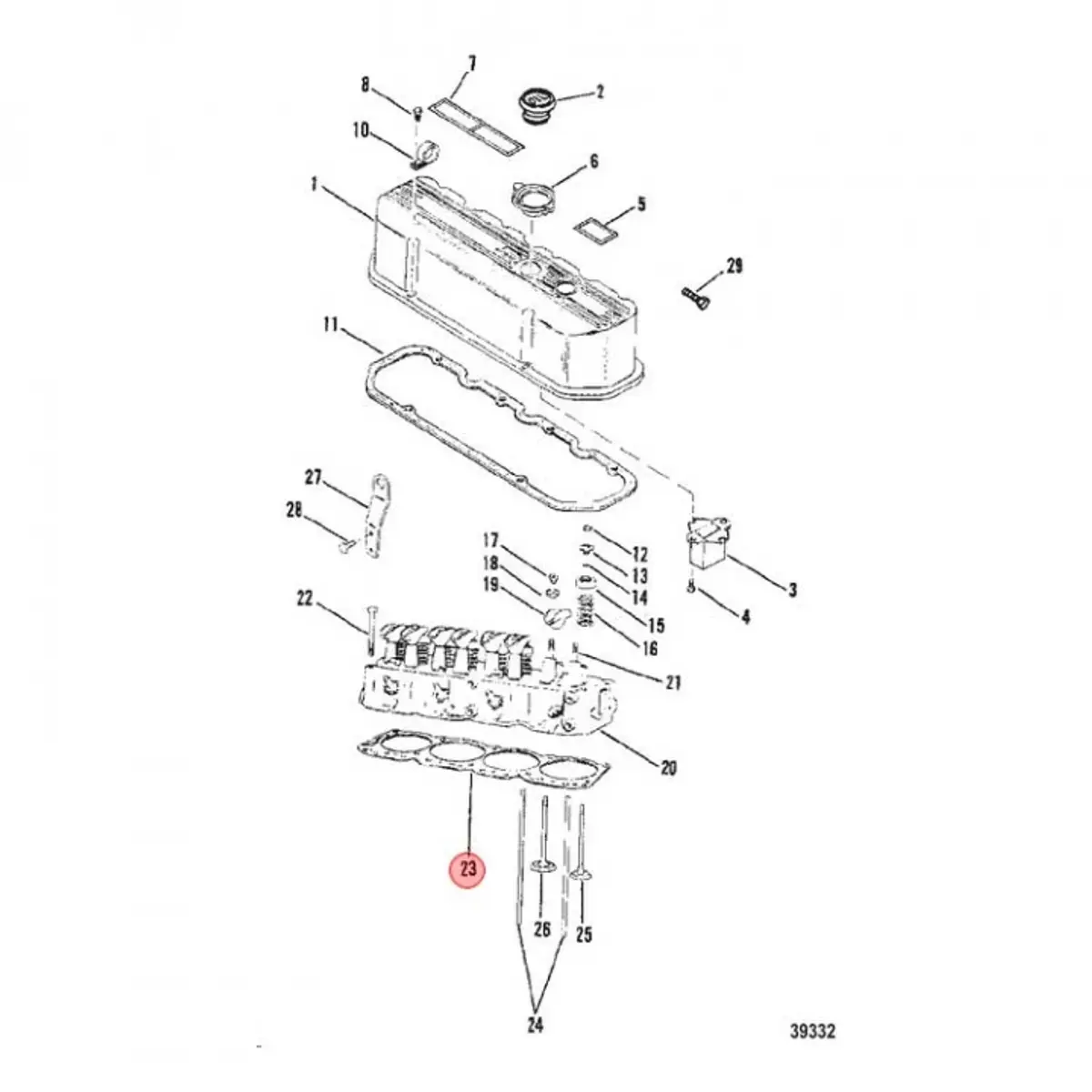
Topplockspackning (8M0230581)
Artnr:
8M0230581
1215 kr
- Produktbeskrivning
-
Topplockspackning (8M0230581) till Mercruiser 2.5/3L L4. Titta i din epc för att säkerställa att delen passar just din motor.
Tidigare art: 810841, 52364 - Egenskaper
-
- Leveransinformation
-
Lagersaldo: 0Frakt: Frakt 0-3kg


