Trimgivare Mercury Verado 200-300 hk (888590002)
Artnr:
888590002
1739 kr
- Produktbeskrivning
-
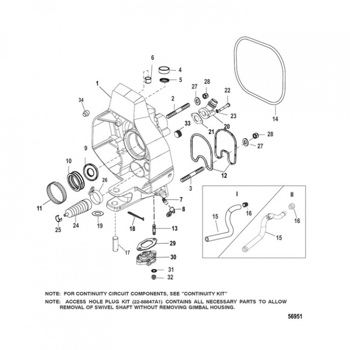
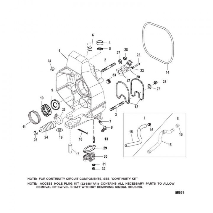
Trimgivare (888590002) till Mercury Verado 200-300 hk 6cyl utombordare. Titta i din epc för att säkerställa att delen passar just din motor. - Egenskaper
-
- Leveransinformation
-
Lagersaldo: 0Frakt: Frakt 0-3kg



